
大小: 0 MB
下载:244次
图集05s502国际版
说明:安全下载是直接下载应用市场,用户下载后可自行搜索目标软件进行更高速,更安全的下载。
- 分 类:手机游戏
- 大 小: 0 MB
- 游戏ID:cd05e1c
- 说 明:图集05s502国际版
- 提 示:自辨安全性
- 发 布:2022-08-07 23:11:33
手机扫码免费下载
纠错留言#图集05s502国际版介绍
大家好,小狐狸小编来为大家解答图集05s502国际版的下载地址。国标14s501-1图集在线看,国标04s520图集免费下载很多人还找不到怎么下载,现在让我们一起来介绍下图集05s502国际版,希望能帮助到你!
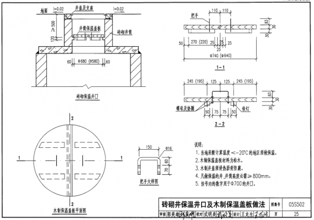
05s502图集是一款符合国标的室外给水管道附属构筑物图集,包含了水表井图集、05s502阀门井图集、预制盖板等所有建筑规范图集,本站为大家提供的是高清PDF版本,代大家学习参考!文件名05S502室外给水管道附属构筑物图集.pdf
目录:
砖砌圆形立式闸阀井 15-25砖砌圆形立式蝶阀井 26 ~34.砖砌圆形卧式蝶阀井. 35~41砖砌水表井42~ 53砖砌圆形排气阀井 54~59砖砌排泥阀(湿)井 60-67钢筋混凝土矩形立式闸阀井 68-88钢筋混凝土矩形立式蝶阀井. .... 89~111钢筋混凝土矩形卧式蝶阀井.。. . . . . .....112~131
#Match Brawl截图